Ανοξείδωτα κανάλια Π με συνεχή εσωτερική κλίση πάχους 2 mm
Για την απορροή μεγάλων ποσοτήτων υγρών αποβλήτων με περιεκτικότητα και στερεών.
Ανοξείδωτο κανάλι αποστράγγισης για πλείστες εφαρμογές, κατάλληλο για δάπεδο με πλακάκι, για σκληρές λείες επιφάνειες από μπετό ή τσιμεντοκονία,για βιομηχανικά ρητινούχα δάπεδα κ.α.
Κατασκευάζονται εξ’ ολοκλήρου από στραντζαριστό ανοξείδωτο χάλυβα AISI 304 πάχους 2mm που είναι ιδανικό για τις επαγγελματικές εφαρμογές. Υπάρχει η δυνατότητα κατασκευής από ανοξείδωτο χάλυβα AISI 316 για απαιτήσεις με μεγαλύτερη αντοχή σε διάβρωση. Κατασκευάζονται με συνεχή εσωτερική κλίση 0,4% (4 mm βάθος για κάθε μέτρο κατασκευής).
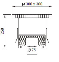
Τα μοναδιαία κομμάτια έχουν μήκος 3m και μπορούν να φθάσουν συνεχόμενα τα 24 m με συνεχόμενη κλίση εσωτερικά και συνολικά τα 48 m εάν τοποθετήσουμε τετράγωνο σιφόνι CGRX 300 στη μέση, όπως φαίνεται και στο παρακάτω σχήμα. Τα τετράγωνα σιφόνια CGRX 300 φτιάχνονται με οριζόντια ή κάθετη έξοδο Φ75 mm. Περισσότερες πληροφορίες γι' αυτά τα σιφόνια μπορείτε να δείτε εδώ>>

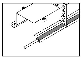
Κάθε στοιχείο έχει στα άκρα του ενσωματωμένη φλάντζα για να συνδεθεί με το επόμενο. Η συναρμολόγηση των κομματιών γίνεται βιδώνοντας τις φλάντζες με ανοξείδωτες βίδες χρησιμοποιώντας ως ενδιάμεσο ελαστικό σύνδεσμο, φλάντζα ελαστικής σιλικόνης πάχους 2mm. Η φλάντζα ελαστικής σιλικόνης επιπλέον εξασφαλίζει την υδατοστεγανότητα του συστήματος καθώς και την απορρόφηση πιθανών διαστολών. Η ελαστική σιλικόνη (VMQ) είναι χρώματος κόκκινου και κατάλληλη για θερμοκρασίες από - 50 έως 180° C. Με τον ίδιο ακριβώς τρόπο γίνονται και οι συνδέσεις των καναλιών με τα σιφόνια CGRX.
Για μεγαλύτερη αντοχή των καναλιών σε φορτία χρησιμοποιούνται ανοξείδωτοι κυλινδρικοί αποστάτες ανά μέτρο κατασκευής. Για βέλτιστη σταθερότητα και εφαρμογή κατά την εγκατάσταση, υπάρχουν ενσωματωμένα πλευρικά αγκυροβόλια στην αρχή, στη μέση και στο τέλος κάθε καναλιού. Τέλος για την ευθυγράμμιση κατά την εγκατάσταση τοποθετούνται ρυθμιστές ύψους στην αρχή και στο τέλος του καναλιού (ανοξείδωτες βίδες και παξιμάδια).
|
Τα κανάλια στρατζάρονται με εσωτερική κούρμπα για λόγους υγιεινής, για να καθαρίζονται εύκολα και για ν’ αποφεύγονται οι εστίες μόλυνσης. |
| Τα στάνταρ κανάλια είναι κατάλληλα για σχάρες φορτίων Α15 και Β125 οι οποίες επιλέγονται ανάλογα με τις λειτουργικές ανάγκες του χώρου εφαρμογής. | ![]() |
![]() |
Υπάρχει η δυνατότητα ενίσχυσης των υπερκείμενων άκρων με την τοποθέτηση ειδικής χαλύβδινης ή πλαστικής ράβδου. Τα ενισχυμένα κανάλια είναι κατάλληλα για σχάρες φορτίων C250 σύμφωνα με τον κανονισμό ΕΝ 1433. |
Υπάρχουν 3 διαθέσιμα πλάτη καναλιών όπως φαίνονται στις παρακάτω τομές:

Επιλογή σχαρών για τα κανάλια SP εδώ>>
Επιλογή σχαρών για τα κανάλια MP εδώ>>
Επιλογή σχαρών για τα κανάλια LP εδώ>>
ΚΩΔΙΚΟΙ ΚΑΙ ΜΟΝΤΕΛΑ ΚΑΝΑΛΙΩΝ

ΕΞΟΔΟΣ ΚΑΝΑΛΙΩΝ
Η έξοδος των καναλιών γίνεται είτε με φλάτζα και σύνδεση με το τετράγωνο σιφόνι CGRX300 είτε με κάθετο ή οριζόντιο σωλήνα Ø45 mm ή Ø 75 mm.


Αναλυτικά στοιχεία για το τετράγωνο σιφόνι δείτε παρακάτω ή στα σιφώνια γενικά.



ΔΙΑΘΕΣΙΜΕΣ ΔΙΑΤΑΞΕΙΣ
Είναι εφικτές διάφορες διατάξεις για να ταιριάζουν στις ανάγκες της κάθε εφαρμογής.

ΣΧΕΔΙΑΣΤΙΚΑ ΠΑΡΑΔΕΙΓΜΑΤΑ




ΤΡΟΠΟΣ ΕΓΚΑΤΑΣΤΑΣΗΣ - ΚΑΝΑΛΙ ΜΕ ΣΧΑΡΑ 33Χ33

ΤΡΟΠΟΣ ΕΓΚΑΤΑΣΤΑΣΗΣ -ΚΑΝΑΛΙ ΜΕ ΣΧΑΡΑ 33Χ11 (HEELSAFE)

ΕΦΑΡΜΟΓΕΣ-ΕΓΚΑΤΑΣΤΑΣΕΙΣ










